español
Tiempo: 10/07/2025
Navegar: 6,155

Figura 1. Comparador de OP-AMP
Un comparador OP-APP es un circuito que utiliza un amplificador operativo en modo de circuito abierto para comparar dos voltajes de entrada.Cuando el voltaje en la entrada no invertida (+) es mayor que el voltaje en la entrada de inversión (-), la salida cambia a un estado alto.Por el contrario, si la entrada de inversión es mayor, la salida cae a un estado bajo.
Aunque los amplificadores operacionales pueden funcionar como comparadores en configuraciones básicas, no están diseñados específicamente para este propósito.Su tiempo de respuesta más lento, la tendencia a saturarse en la salida y la falta de histéresis incorporada los hacen menos ideales para aplicaciones de conmutación de alta velocidad o precisión.
En modo comparador, el amplificador OP opera fuera de su región lineal.Incluso una ligera diferencia de voltaje entre las entradas hace que la salida se balancee hacia cualquier riel de suministro.Esta transición aguda permite la detección de voltaje básico, pero introduce varias limitaciones:
• Recuperación lenta de la saturación
• Salida que puede no alcanzar los niveles lógicos verdaderos
• Inestabilidad potencial en entornos ruidosos
|
Característica |
APP OP como comparador |
Comparador dedicado |
|
Velocidad |
Más lento debido a la saturación |
Conmutación rápida sin demora |
|
Histéresis |
Debe agregarse externamente |
A menudo incorporado |
|
Salida de nivel lógico |
Puede no cumplir con los umbrales digitales |
Diseñado para la compatibilidad digital |
|
Protección de entrada |
Propenso a enganchar |
Maneja transiciones de entrada rápida |
|
Consumo de energía |
Más alto cuando se saturó |
Corriente inactiva baja |
El uso de un amplificador operacional como comparador solo es adecuado en aplicaciones simples de baja velocidad donde la precisión y la respuesta rápida no están en riesgo.Puede ser una elección práctica en las siguientes condiciones:
1. El tiempo no es importante: El circuito no depende de la conmutación rápida o los retrasos precisos.
2. Las señales de entrada cambian lentamente: Las transiciones graduales reducen el riesgo de inestabilidad u oscilación.
3. Los niveles de voltaje de salida son compatibles con la lógica aguas abajo: La salida del amplificador operacional debe balancearse lo suficientemente cerca de los niveles lógicos altos y bajos requeridos.
4. Se agrega histéresis externa: La introducción de comentarios positivos ayuda a estabilizar el resultado en entornos ruidosos.
Sin embargo, para aplicaciones que exigen alta velocidad, precisión, niveles de lógica de riel a riel o inmunidad de ruido robusta, un comparador dedicado es una mejor opción.
|
Característica |
Descripción |
Beneficio de la aplicación |
|
Entradas/salidas de riel a riel |
Admite el rango de suministro completo para ambas entradas
Swing de detección y salida. |
Habilita comparaciones precisas y
Salidas de nivel lógico en sistemas de bajo voltaje. |
|
Voltaje de desplazamiento bajo |
Minimiza la diferencia de voltaje de entrada
necesario para activar un cambio de salida. |
Mejora la precisión en precisión
Aplicaciones, especialmente cerca de los niveles de umbral. |
|
Baja corriente de suministro |
Opera con un consumo de energía mínimo. |
Ideal para baterías y siempre encendidas
sistemas. |
|
Múltiples canales |
Combina dos o más comparadores en un
Paquete único IC. |
Ahorra espacio en la tabla, simplifica el diseño y
Admite la detección de umbral múltiple en diseños compactos. |

Figura 2. Histéresis en circuitos comparadores
La histéresis introduce una pequeña brecha de voltaje entre los umbrales ascendentes y descendentes, evitando la salida de salida de las pequeñas fluctuaciones de entrada.Esto estabiliza el comportamiento del comparador en entornos de señal ruidosos o que cambian lentamente.
• Inmunidad de ruido: Filma perturbaciones menores que pueden causar un cambio falso.
• Chatter reducido: Evita el alternativo rápido cerca del voltaje umbral.
• Respuesta estable: Mantiene una salida consistente con cambios de entrada graduales.
La histéresis funciona de manera similar a un desencadenante de Schmitt y se usa comúnmente en:
• Cambiar el desacuerdo
• Acondicionamiento de señal analógica a digital
• Circuitos de generación y sincronización de forma de onda
En general, la histéresis mejora la confiabilidad del comparador y garantiza transiciones limpias y predecibles.
Los comparadores se utilizan en circuitos donde las decisiones deben tomarse en función de los niveles de voltaje.Se usan comúnmente para detectar umbrales, dar forma a las señales y convertir el comportamiento analógico en la lógica digital.

Figura 3. Detectores de umbral
• Detectores de umbral: Se utiliza para activar o desactivar un circuito cuando el voltaje de entrada cruza un umbral predefinido.Común en el monitoreo de la batería, la protección contra sobretensión/subtensión y sistemas de alarma.

Figura 4. Detectores de cruce cero
• Detectores de cruce cero: Identifique el punto en el que una señal de CA pasa a través de voltios cero.Esto es útil para bucles de fase bloqueados, sincronización de tiempo y aplicaciones de control de motor.

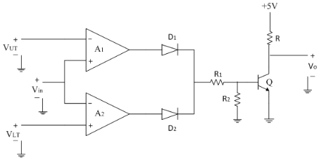
Figura 5. Comparadores de ventanas
• Comparadores de ventanas: Monitoree si una señal permanece dentro de un rango de voltaje definido combinando dos comparadores.Útil en monitoreo de temperatura, supervisión de la fuente de alimentación y validación de rango analógico.

Figura 6. Cambiadores de nivel
• Cambiadores de nivel: Convierta los niveles de entrada analógica variables en señales digitales limpias compatibles con circuitos lógicos.Estos a menudo se encuentran en las interfaces de sensores y los sistemas de adquisición de datos.

Figura 7. Osciladores
• Osciladores y temporizadores: En combinación con componentes pasivos, los comparadores pueden generar formas de onda cuadradas o pulsos de sincronización precisos.Esto los hace adecuados para generadores de reloj simples y circuitos de control de ancho de pulso.
Si bien los amplificadores operacionales pueden manejar la comparación de voltaje básico, no están construidos para conmutación de alta velocidad o precisión.Usarlos como comparadores introduce varias limitaciones:
• Recuperación lenta de la saturación: Los amplificadores operacionales a menudo se balancean completamente a los rieles de suministro y tardan más en regresar, desacelerando el tiempo de respuesta.
• Niveles de salida incompatibles: Muchos amplificadores operacionales no pueden producir salidas de nivel lógico estándar, especialmente en configuraciones de suministro único, lo que hace que la interfaz digital no sea confiable.
• Riesgo de bloqueo o daño: Sin protección contra la entrada, la sobremarcha excesiva puede causar estrés de bloqueo o térmico, lo que afecta la estabilidad y la seguridad.
• Mayor consumo de energía: Los amplificadores operacionales saturados atraen más corriente y generan más calor, reduciendo la confiabilidad a largo plazo.
Si bien los amplificadores operacionales se pueden adaptar para tareas de comparación básicas, sus limitaciones inherentes, como la recuperación de saturación lenta y los niveles de salida inestables, los hacen menos adecuados para aplicaciones de alta velocidad o sensibles al ruido.Diseñado específicamente para la comparación de voltaje rápido, ofreciendo un mejor rendimiento, compatibilidad lógica y confiabilidad.Al comprender las características clave como la histéresis, el tipo de salida y el rango de voltaje de entrada, puede seleccionar con confianza el comparador correcto para su diseño.Para obtener los mejores resultados, siga siempre las buenas prácticas de diseño y coincidan con la elección de su componente con los requisitos de precisión, velocidad y tolerancia al ruido de su circuito.Haga coincidir siempre su elección de comparación con el entorno de velocidad, precisión y ruido de su aplicación.
No todos los amplificadores operacionales son adecuados como comparadores.Si bien la mayoría puede realizar comparaciones básicas, los amplificadores operacionales con tasas de tallería lentas, una alta impedancia de salida o un rango de entrada limitado pueden conducir a un bajo rendimiento de conmutación o inestabilidad.
El mayor riesgo es la respuesta retrasada debido a la saturación de salida, lo que puede causar un cambio lento, eventos perdidos o errores lógicos, especialmente en circuitos de sincronización rápidos o críticos.
Puede agregar histéresis introduciendo retroalimentación positiva, típicamente utilizando una resistencia entre la salida y la entrada no inversa.Esto crea dos umbrales de conmutación, mejorando la inmunidad de ruido.
Las salidas de drenaje abierto permiten que el comparador interfaz con múltiples niveles de voltaje o se combine en configuraciones de cable y lógica.También reducen la contención de salida en líneas de señal compartidas.
La entrada de riel a riel significa que el comparador puede detectar voltajes cerca de ambos rieles de suministro.La salida de riel a riel significa que puede impulsar señales cercanas a 0V y VCC, asegurando la compatibilidad digital completa en los sistemas de bajo voltaje.
CAP CER 0.1UF 250V X5R 1206
CAP TANT POLY 100UF 16V 2917
IC OPAMP DIFF 1 CIRCUIT 16VQFN
IC MPU Q OR IQ 1.5GHZ 1295FCBGA
DC DC CONVERTER 24V 50W
RES ARRAY 4 RES 15K OHM 1206
IGBT Modules
NEC TQFP
SC41489CZP133 FREESCA
IC LASER DRVR 622MBPS 3.3V 24BCC
IC COMPARATOR 4 GEN PUR 14SSOP
A/N TQFP


